Phone:
021-64472383
廣芯電子技術
2023.12.01
5234
智能手機相機功能中,相機功能質量的好壞也成為了消費者選擇手機的重要參考指標之一,閃光燈配置對照片質量和效果至關重要。市場上的智能手機閃光燈主要分為單閃光燈和雙色溫閃光燈兩種。

單閃光燈是只配備一種色溫的LED閃光燈,通常為暖色溫(琥珀色)。這種閃光燈在拍攝人像時,能夠提供較為自然的膚色還原,但在復雜光線環境下表現不足。雙色溫閃光燈則是配備兩種不同色溫的LED閃光燈,即暖色溫(琥珀色)和冷色溫(藍色),雙色溫組合具有更高的靈活性和適應性。雙色溫閃光燈能夠根據場景的不同,自動調整燈光色溫,獲得更加真實的色彩效果,自動調整亮度以保證照片清晰度和色彩飽和度。實際使用中,雙色溫閃光燈表現優于單閃光燈。

總的來說,智能手機與雙色溫閃光燈的結合,為我們帶來了更加出色的攝影體驗。無論是在低光環境下拍攝人像,還是在日常的攝影中,雙色溫閃光燈都能發揮出其獨特的作用,讓我們的照片更加出彩。本文介紹的芯品BCT3146即可用于雙色溫閃光燈。
BCT3146介紹
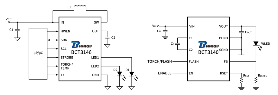
BCT3146支持雙路2A恒流輸出(ILED1+ ILED2)或單路2A恒流輸出,支持手電筒、閃光燈和IR紅外模式,進一步完善了廣芯電子在閃光燈芯片領域的產品系列布局,滿足不同客戶不同產品的需求。

由于驅動1A以上大電流,BCT3146采用了Boost電感升壓拓撲,而非BCT3140的charge Pump(電容電荷泵升壓)拓撲。
廣芯兩種閃光燈驅動芯片典型應用電路對比如下:

BCT3146是I2C控制,閃光和手電筒電流均可實現128級的調光等級,可靈活調節LED1和LED2之間的電流比。此外通過寄存器還能配置以下功能:
Flash閃光燈模式相關配置:
LED1/2使能、Flash電流、硬件Flash的Strobe引腳使能(通過strobe PWM實現連續閃光)、內部Flash模式使能、工作頻率2MHz/4MHz、Flash保護時間、IVFM電池電壓監視。
Torch手電筒相關配置:
LED1/2使能、Torch電流、硬件Torch引腳使能、內部Torch模式使能、Torch Ramp時間。
IR紅外模式相關配置項:
硬件Flash的Strobe引腳使能、Strobe觸發方式、Flash電流、LED1/2使能。
其它配置:
Standby待機模式、TX引腳使能(射頻功率工作時自動降低Flash電流至Torch電流)、software reset軟件寄存器配置。
保護配置:
欠壓鎖定、限流1.9A/2.8A、LED短路保護、TEMP的NTC負溫度熱敏電阻監視保護、Temp短路保護、Temp開路保護。BCT3146同時還固有OVP輸出過壓保護、TSD過溫保護、Vout短路保護。
工作狀態描述:
當Vout-Vled>400mV,系統工作在Pass mode;
當Vout-Vled﹤400mV,系統工作在Boost mode;
BCT3146的管腳分布如下(Top View)
